按钮开关互锁正反转控制电路接线图原理详解
发布时间:2022-04-15 浏览:14384次
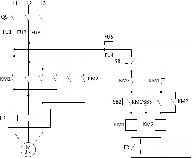
电机正反转控制电路一般用接触器辅助触点进行互锁,这个互锁电路在电机改变转向时需要先按停止按钮,优势是接触器卡顿时不易导致电源短路故障问题,缺陷是操作方法不方便,换向时需要先按停止按钮开关才能操作方法。

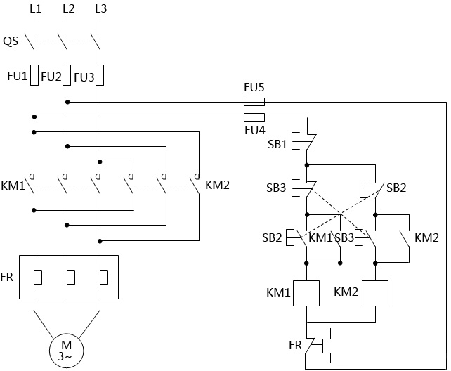
那么怎样解决电机正反转辅助触点互锁电路使用不方便的问题?昌晖仪表给出的方法是将改为按钮互锁正反转控制电路,操作方法更方便。

按钮互锁正反转控制电路的保护措施
①短路保护
短路保护由FU1-FU5构成,熔断器FUI-FU3实现主电路的短路保护,FU4-FU5实现控制电路的短路保护。
②失压保护
失压保护由接触器自锁构成。当电源电压消失时,接触器各触头自动复位,起到断开电路的作用。
③过载保护
过载保护由热继电器常闭触头实现。当三相电动机在运行中电流超过设置的额定值时,FR常闭触头断开,从而切断控制电路,使KM1或KM2线圈失电,从而切断主电路。
④互锁保护
互锁保护由正转起动按钮常闭触头和反转起动按钮常闭触头构成。当启动正转接触器KM1支路时,正转起动按钮常闭触头断开,使反转接触器KM2支路不能得电,实现对KM2支路的互锁;反之亦然。
按钮互锁正反转控制电路的优点和缺点
①按钮互锁电机正反转控制电路的优势
改变转向时不用按停止按钮。
②按钮互锁电机正反转控制电路的缺陷
当接触器发生卡顿时,如操作方法改变方向,会导致电源短路的问题。用硬接线方式实现电动机正反转控制,大和按钮还是建议使用使用接触器辅助点进行互锁,以免接触器卡顿时反生电源短路故障问题。








